网站首页 美食营养 游戏数码 手工爱好 生活家居 健康养生 运动户外 职场理财 情感交际 母婴教育 生活知识 生活百科 知识问答 更多知识

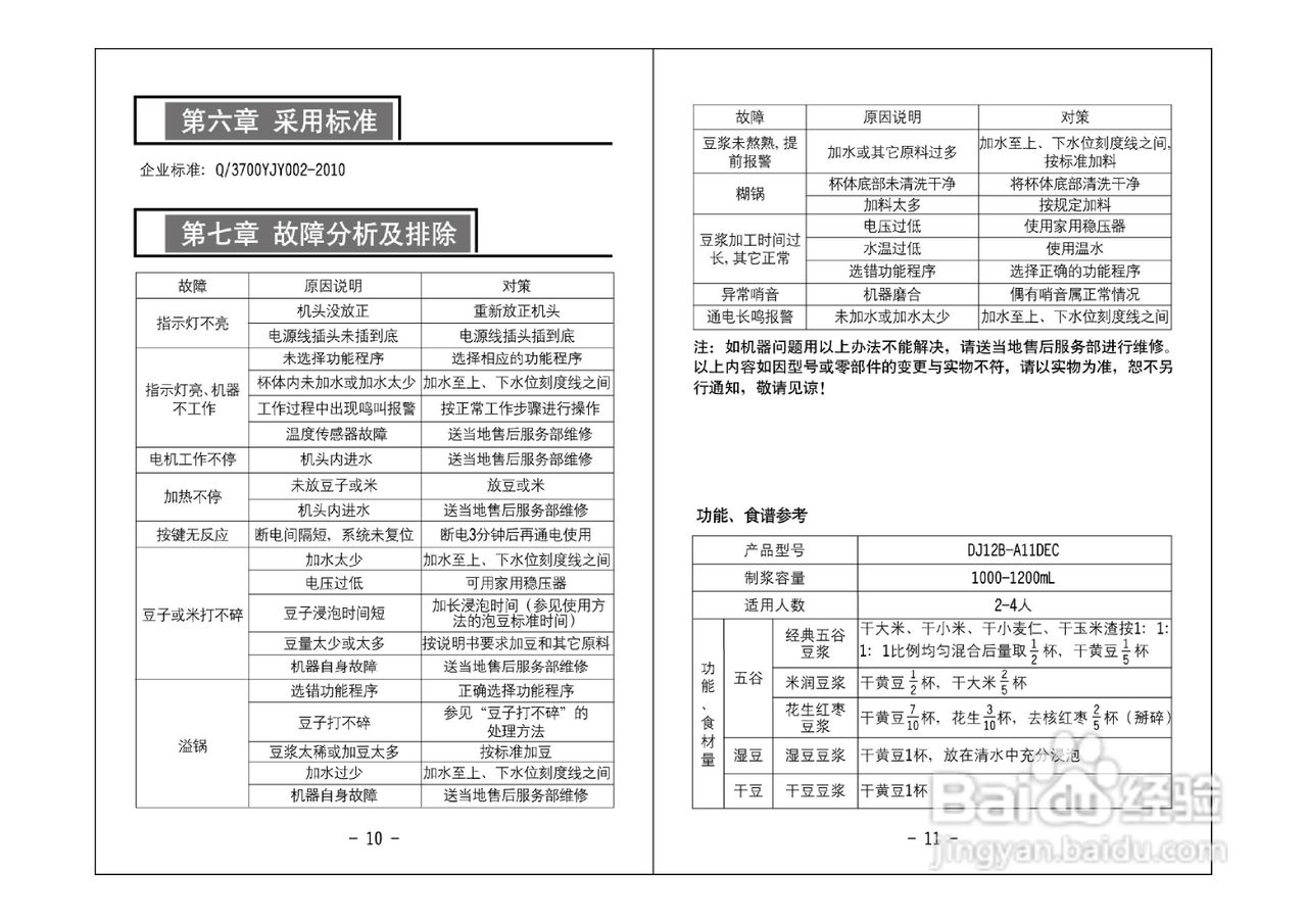
DJ12B-A11DEC(直流电机)说明书

时间:2026-04-21 16:18:51

DJ12B-A11DEC(直流电机)说明书

DJ12B-A11DEC(直流电机)说明书

DJ12B-A11DEC(直流电机)说明书

DJ12B-A11DEC(直流电机)说明书

DJ12B-A11DEC(直流电机)说明书

DJ12B-A11DEC(直流电机)说明书

DJ12B-A11DEC(直流电机)说明书

DJ12B-A11DEC(直流电机)说明书

© 2026 五度知识库
信息来自网络 所有数据仅供参考
有疑问请联系站长 site.kefu@gmail.com